北极星电力市场网获悉,近日,全国各地2026年4月电网企业代理购电价格陆续公布。北极星电力市场网汇总了2025年9月-2026年4月各地电网企业代理购电价格,如下表所示:

以下为2026年4月各地电网企业代理购电价格表,顺序依次为:江苏、安徽、广东、山东、山西、北京、河北、冀北、浙江、上海、重庆、四川、黑龙江、辽宁、吉林、内蒙古东部、内蒙古电力集团、江西、湖北、湖南、青海、宁夏、陕西、天津、甘肃、新疆、广西、海南、云南、贵州、深圳、福建。(河南暂未公布)
江苏





安徽


广东






山东

山西

北京



河北

冀北




浙江







上海


重庆


四川

黑龙江


辽宁


吉林


内蒙古东部

内蒙古电力集团

江西


湖北

湖南

青海




宁夏


陕西





天津

甘肃

新疆

广西



海南


贵州






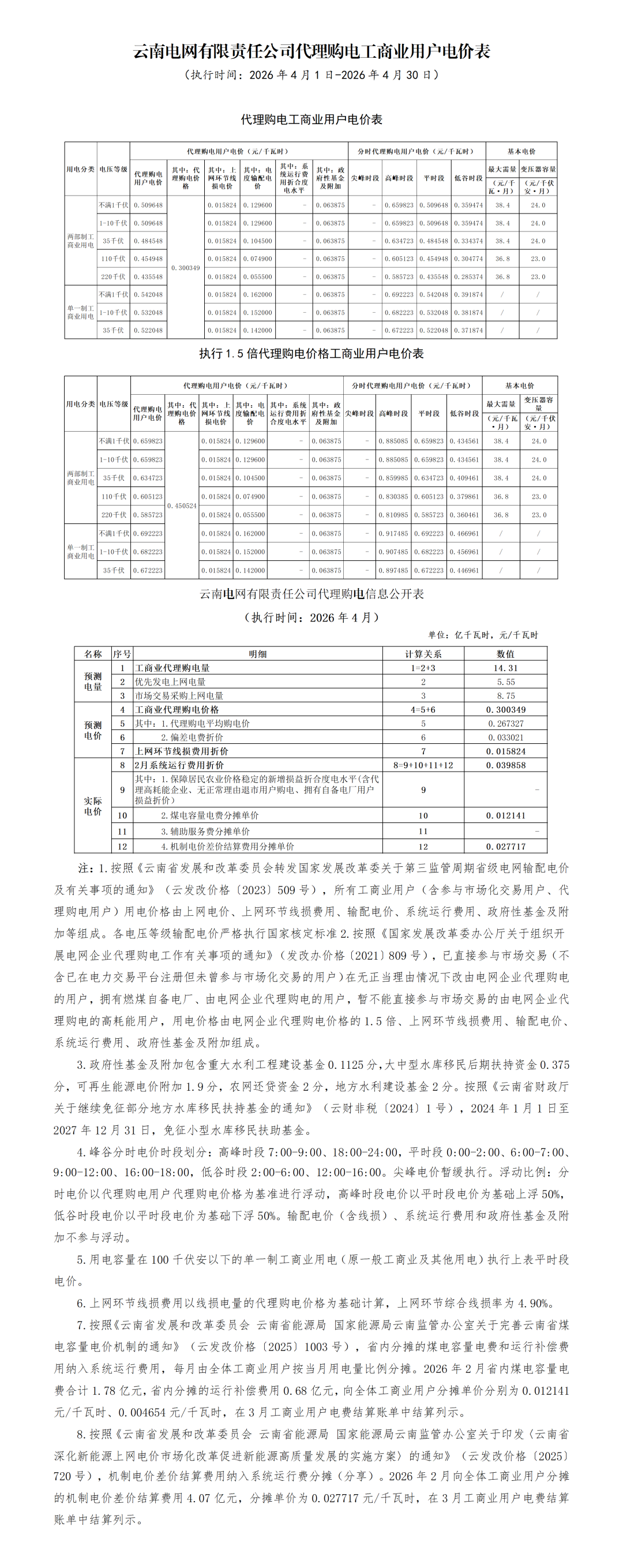
云南

深圳



福建

