近日,全国各地2025年6月电网企业代理购电价格陆续公布。北极星售电网汇总了2024年11月-2025年6月各地电网企业代理购电价格,如下表所示:

21个地区峰谷价差超过500元/兆瓦时。广东、海南、深圳、上海、山东、湖南峰谷价差排名前六位,均超过900元/兆瓦时。峰谷价差最大的是广东,为1323.1元/兆瓦时。峰谷价差最小的是甘肃,仅为41.84元/兆瓦时。
其中,值得注意的是,6月份江苏峰谷价差为619.9元/兆瓦时,较5月份下降超20%。

2025年6月全国各地10千伏两部制峰谷电价如下表:



以下为2025年6月各地电网企业代理购电价格表,顺序依次为:江苏、安徽、广东、山东、山西、北京、河北、冀北、河南、浙江、上海、重庆、四川、黑龙江、辽宁、吉林、内蒙古东部、江西、湖北、湖南、青海、宁夏、陕西、天津、甘肃、新疆、广西、海南、贵州、云南、深圳、福建。(内蒙古电力集团暂未公布)
江苏




安徽


广东






山东

山西

北京



河北

冀北




河南

浙江







上海



重庆


四川



黑龙江


辽宁


吉林


内蒙古东部

江西


湖北

湖南

青海


宁夏


陕西



天津

甘肃

新疆

广西



海南


贵州





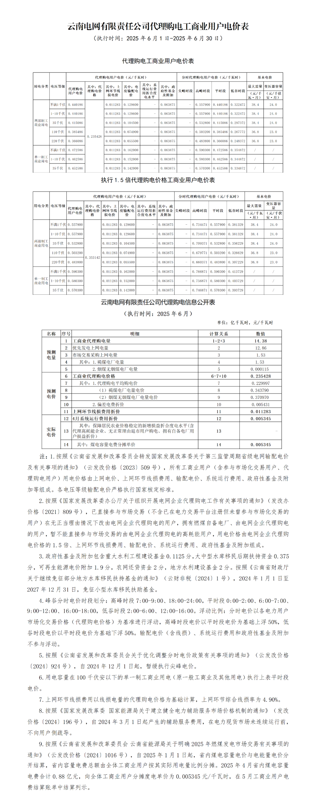
云南

深圳



福建

